- 產品列表更多
- 聯系我們更多
-
煙臺超群石化機械有限公司
電??????話:0535-6207725
圖文 ?傳真:0535-6349179
郵??????箱:cqsh2012@aliyun.com
銷售部手機:15864087878(李經理)
18954554963(黃靜)
18954557113(季潔)
13688662616(徐娜)
技術咨詢:15864087878(李經理)
Q Q:3292262386
售后查件電話:18863880818(周杰)

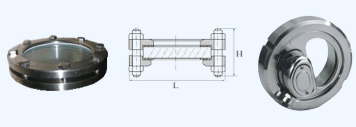
無頸設備視鏡用于石油、化工、化纖、醫藥、食品等工業生產裝置中,,能隨時觀察液體、氣體、蒸汽等介質的流動反應情況,是保障正常生產不可缺少的附件。
主要技術參數:
1、殼體材質:碳鋼、不銹鋼(SUS304、SUS304L、SUS316、SUS316L)、襯氟、塑料(PP、PVC等)。
2、視窗材質:鈉鈣玻璃、硼硅玻璃、石英玻璃。
3、工作溫度:
鈉鈣玻璃的最高允許溫度為150℃,溫度的急劇變化范圍為120℃至20℃。
硼硅玻璃的最高允許溫度為280℃,溫度的急劇變化范圍為230℃至20℃。
石英玻璃的最高允許溫度為800℃,溫度的急劇變化范圍為550℃至20℃。
4、操作壓力:鈉鈣玻璃:0.6Mpa。
5、硼硅玻璃:0.6~1.0Mpa。
6、石英玻璃:0.6~2.5Mpa。
7、密封圈材質:聚四氟乙烯、耐油石棉、丁腈橡膠等。
8、法蘭標準:GB、HG、SH、HGJ、JB、ANSL、JIS等標準。(用戶指定,請注明壓力等級)
9、制造、檢測標準:參照《HGJ501-86壓力容器視鏡》設計制造和驗收。
用戶注意事項:
1、視鏡安裝
焊接法蘭盤必須清潔并且沒有損傷,經專業人員進行操作。
2、視鏡鏡片安裝
確信視鏡座平整光滑,鏡片與視鏡座之間的密封墊安裝平整,密封墊沒有損傷并且不粘油脂。在緊固螺釘前確信視鏡座與蓋子安裝正確,然后慢慢緊固螺釘。
3、鉸接或螺紋連接的視鏡裝置在工作前要確信密封墊安裝良好。如有必要,可對螺栓進行重新緊固。確信視孔與視鏡孔之間的密封墊安裝正確,連接法蘭沒有損傷,并調整好連接螺釘。不僅要確信與視鏡鏡片連接的元件密封良好,還要確信視鏡與焊接法蘭之間的密封均良好,并確保容器內的壓力不超過額定的壓力。
4、安裝后不能對視鏡有其它的附加壓力,否則會造成視鏡受力不均勻,導致視鏡玻璃破裂。
無頸視鏡 SJ-WJ 型

| 規格尺寸 | ||||||||
| DN | 20 | 25 | 40 | 50 | 65 | 80 | 100 | 125 |
| in | ¾ | 1 | 1½ | 2 | 2½ | 3 | 4 | 5 |
| L | 145 | 189 | 234 | 278 | 278 | 308 | 308 | 364 |
| H | 200 | 260 | 260 | 320 | 320 | 360 | 360 | 440 |





點擊或掃描下載