- 產品列表更多
- 聯系我們更多
-
煙臺超群石化機械有限公司
電??????話:0535-6207725
圖文 ?傳真:0535-6349179
郵??????箱:cqsh2012@aliyun.com
銷售部手機:15864087878(李經理)
18954554963(黃靜)
18954557113(季潔)
13688662616(徐娜)
技術咨詢:15864087878(李經理)
Q Q:3292262386
售后查件電話:18863880818(周杰)

產品概述
LCJFB袋式精細過濾器是由容器、濾袋、支撐網籃三部分構成一個簡便、高效、通用的液體過濾系統。需要過濾的流體,由上口進入濾袋,液體中的固態物質會被阻留在袋內,從而得到清潔的流體,由于其使用簡便,經濟合理,因而廣泛用于石油產品、化工產品、油漆、食品及飲料、污水等方面過濾。袋式精細過濾器具有高流通能力,高過濾精度,低成本,操作簡便、快速等特點。適用于任何微細顆粒(少于1000ppm)的過濾,精度范圍可從1至1000u m及1至1000m3/h的液體過濾。
型號標注

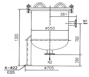
1、單袋式精細過濾器LCJFB—I型

注:①表中所列流量以水為介質,
②設備工作壓力≤1.0MPa,
③進出口接管規格:DN50、PN1.6。
2、多袋式精細過濾器LCJFB—Ⅱ型
①四袋式精細過濾器LCJFB—4 II

主要技術參數
工作壓力≤1.0MPa
工作溫度≤200℃
處理量:140m3/h (以水為介質)
進出口接管規格:DN100 PN1.6
②五至八只袋精細過濾器LCJFB—5~8 II型

注:①表中所列流量以水為介質,工作壓力≤1.0MPa
②進出口N1、N2接管規格,LGJFB-5、6II為DN100、PN1.6,LGJFB-7、8II為DN150、PN1.6
3、并聯式精細過濾器LCJFB—III型

①表中所列流量以水為介質,工作壓力≤1.0MPa,
②進出口接管規格:DN65、PN1.6。
4、新型復合袋式過濾器LCJFB—IV型

新型復合袋式過濾器由煙臺超群石化機械有限公司總結多年過濾方面的工程經驗開發成功,已申請專利。新型復合袋式過濾元件是由二個高性質的同心的圓桶,使用獨特的制造工藝制作成一面封閉的濾筒和濾袋。它在過濾方面有杰出的表現,過濾面積比同尺寸標準濾袋大60%,因而它的納污能力強,濾袋更換周期長。過濾器桶體體積至少減少30%,降低設備的投資成本。
在老裝置中對傳統過濾器改用復合式過濾袋的工程經驗來看,復合式過濾袋使用周期比較長,這樣減少了停車次,降低了生產成本, 提高了老裝置的產量和產品質量。
新型復合袋式過濾器的特點
介質通量大,壓降低,設備體積小,投資?。?Phi;1600的設備,38只濾袋,以水為標準,通量每小時2640立方);
過濾面積大,納污量強,濾袋更換周期長;
使用快開設計,密封性能好,濾袋更換方便。
新型復合袋式過濾器的工作原理
工作介質進入新型復合式過濾袋內,從濾袋的兩面進入容器內,然后流出濾器,過濾下來的殘留物留在過濾袋內部。





點擊或掃描下載